Pace Catalogue
- Pneumatic Fittings
-
Push-In Fittings with BSPT or NPT Thread Push-In Fittings with BSPP Thread (O-Ring) Compact One Touch Tube Fittings Pneumatic Speed Controller Valve Pneumatic Hand Valve - All Metal Push In Fittings
-
Nickel Plated Brass Air Fittings with BSPT or NPT Thread Nickel Plated Brass Air Fittings with BSPP Thread (O-Ring) All Metal Air Fittings (Camozzi Type) Stainless Steel Push-In Fittings - Brass Air Fittings
-
Nickel Plated Brass Air Connector Compression Fittings Rapid Fitting for Plastic Tube
- Muffler and Air Tubing
-
Sintering Silencer / Muffler Air Tubing
- USA Type Quick Couplers
-
Milton Type Quick Couplers ARO Type Quick Couplers Truflate Type Quick Couplers Automatic Type Quick Couplers
- Europe Type Quick Couplers
-
Universal Type Quick Couplers German Type Quick Couplers UK (PCL) Type Quick Couplers Mini Type Quick Couplers
- Japan Type Quick Couplers
-
One Touch Type Quick Couplers Two Touch Type Quick Couplers
NingBo Pace Pneumatics Co., ltd.
- Contact Information:
Email:
pace@china-pace.com
info@air-pneumatic-fittings.com
pacefred.cn@gmail.com
paceemma.cn@gmail.com
Telepone:
(86) 153 8194 5096
(86) 180 9457 5196
Fax:
(86) 574 8724 5124
Skype:
pace-fred
Follow US:
|
|
Brass Air Connector (BSPT, BSPP, NPT thread) - Nickel Plated
| Features: | |
| 1. The pipe joint fittings can be used with rigid PU,PE,Nylon (PA 6,PA11,PA12) | |
| 2. Nickel-plated brass bodies ensures anti-corrosion and anti-contamination | |
| 3. A locking nut is provided and can be tightened both manually and with a spanner. | |
| 4. The special shape of the guiding cone ensures that the tube can not be accidentally cut. | |
| Pressure Range: 0.8-16bar (see tube) | Temperature Range: -10°C-60°C(see data of used tubing) |
★Accept the production according to client's samples or drawing |
|
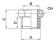
Brass Reduce Male To Female - PRMF
![]() |
![]() |
||||||||||||||||||||||||||||||||||||||||||||||||||||||||||||||||||||||||||||||||||||||||
|
|||||||||||||||||||||||||||||||||||||||||||||||||||||||||||||||||||||||||||||||||||||||||
PRMF Series Male Straight brass air connector. Connection and disconnection of the tube can be repeated several times and is performed with one hand ,without using of tools.Nickel-plated brass bodies ensures anti-corrosion and anti-contamination.The sealing ring(O-ring) can be easily replaced if it is damaged..
Maybe you also interested in other models:
![]() |
![]() |
![]() |
![]() |
![]() |
![]() |
![]() |
| PSF | PSM | PSMF | POH | PRMF | PO | POHH |
![]() |
![]() |
![]() |
![]() |
![]() |
![]() |
![]() |
| POHF | PEMF | PHTM | PBB | PMFM | PFC | PFCT |
![]() |
![]() |
![]() |
![]() |
![]() |
![]() |
![]() |
| PFT | PLFF | PLMF | PLMM | PMST | PMT | PSFT |
![]() |
![]() |
![]() |
![]() |
|||
| PSMT | PYT | PYF | PRF |
Keywords of Our Products :





























